
こんにちはHAKUです。
今日はミキサー類のセッティング方法について説明します。
オーディオインタフェースですが、過去の記事の通り、RCAピンのイン/アウトしかありません。
これではマイクもギターも繋げられません。。。
って事で、手持ちのデジタルミキサーを使います。
Roland VM-3100pro

RolandのVM-3100proです。
古いですね。。。24bit 44.1kHz仕様です。
ミキサーはこれしか持ってないので、、、ただ、アナログ回路は割と良いです。
音質は、とてもRolandの音がします。笑
割とフラットで硬すぎず柔らかすぎず。
オーディオインターフェースとミキサーの繋げ方ですが、説明書を参照すれば大丈夫です。
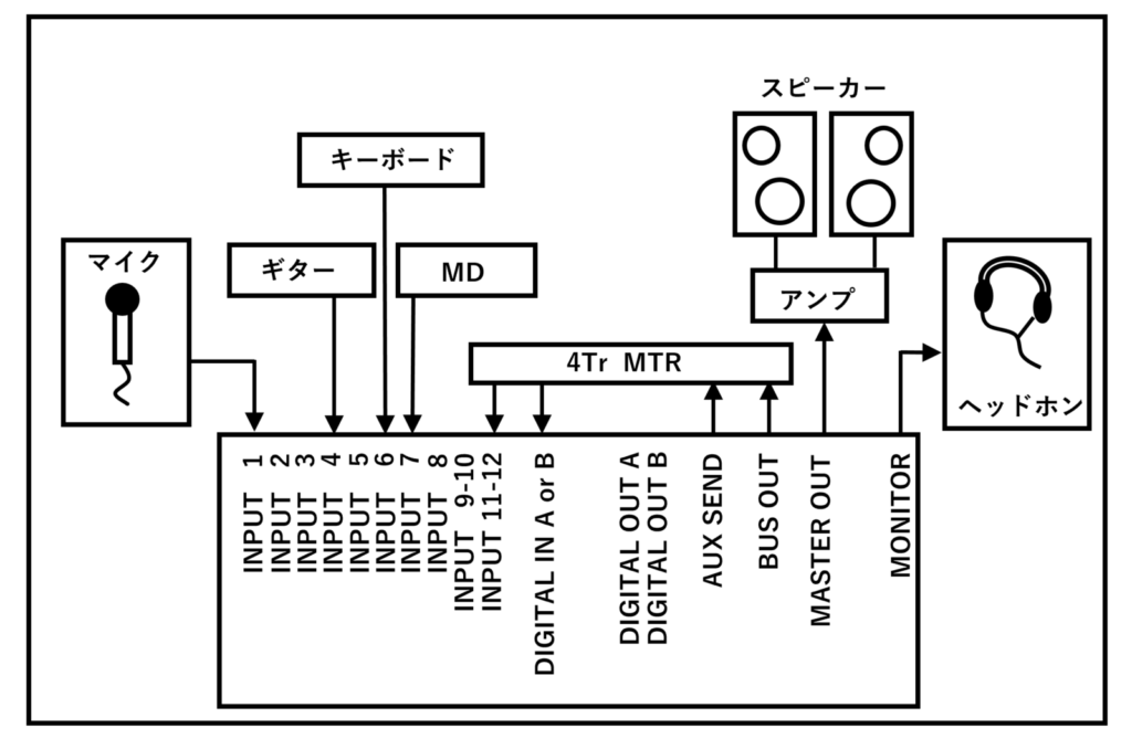
オーディオインターフェースとミキサーの繋げ方
こちらは説明書を参考にお絵描きした図になりますが、こんな感じで載ってます。
この場合だと「4Tr MTR」がオーディオインターフェースになります。
HAKUの場合は、AUXとDIGITAL端子は使わず、BUSアウトとINPUT端子を使用。
録音したい音をBUSアウトに出力し、オーディオインターフェースの出力をINPUTへ戻してます。
この時注意点は、オーディオインターフェースからの戻りの音をBUSアウトに送らない事。
BUSアウトに送ってしまうと信号がループしてしまい大変なフィードバックを起こすはず。。。
やった事ないのですが、やらない方が懸命だと思います。
ミキサーには色んなメーカーもあってそれぞれ使い方が違うので説明書をよく読んで繋いでくださいね。
分からない事があればメーカーにメールすれば応えてくれるはずです!
ちなみに、ミキサーの隣に写ってるヘッドフォンがモニター用ヘッドフォンです。
SONYのMDR−7506通称「青帯」ですね。
SONY MDR-7506
肝心のモニタースピーカーですが、こちらもアンプが故障し買い換えなければなりません、、、
って事でパソコン用のアクティブスピーカーで代用中です。。。
次回はMIDIキーボードのセッティングを書く予定。
それでは、皆さん御機嫌よう。









